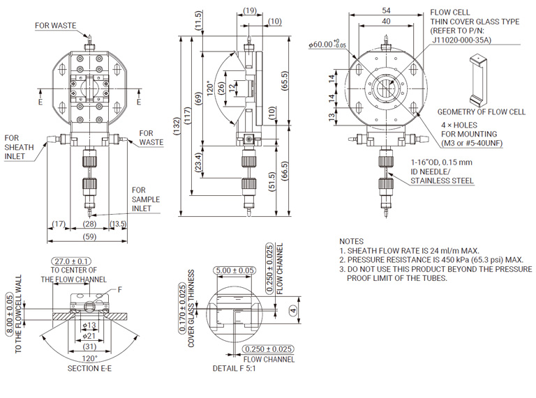
Flow cell assemblies

J12800-000-B5A

These flow cell assemblies consist of various component combinations for feeding liquids, and are designed to easily install into analytical instruments such as flow cytometers. B5A is a thin cover glass type with a flow channel size of 0.25 mm x 0.25 mm.

Specifications

Parameter J12800-000-XXX Unit
-A3A -A4A -A5A -B3A -B4A -B5A
Flow cell Flow channel size 0.150 × 0.150 0.200 × 0.200 0.250 × 0.250 0.150 × 0.150 0.200 × 0.200 0.250 × 0.250 mm
Optical effective areas 5.0 × 2.0 Φ2.0 mm
Material Synthetic silica -
Pressure resistance(Max.) 450 kPa
Assembly Recommended input sheath flow rate 7.0 13.5 19.0 7.0 13.5 19.0 ml/min
Input sheath flow rate(Max.) 9.5 15 24 9.5 15 24 ml/min
Operating sheath pressure 10 to 180 10 to 120 10 to 100 10 to 180 10 to 120 10 to 100 kPa
Pressure resistance(Max.) 450 kPa
Connector Sample inlet port IDEX P-646 -
Sheath inlet port IDEX P-647 -
Waste port IDEX P-646 -
Reverse flow port IDEX P-646 -
Sample needle inside diameter 0.15 mm
Operating ambient temperature +15 to +35
Operating ambient relative humidity <85 %RH
Storage temperature 0 to +45
Weight 60.6 60.3 g

Dimensional outline (Unit:mm)

Dimensional outline

Contact us for more information.

  • Literature
  • Price
  • Delivery
  • Custom order
  • Support
  • Other

Contact us